Wat houdt tankkeuring in?
Algemeen:
Zowel bij nieuwe als bestaande tanks is een periodieke tankcontrole vereist.
Bovengrondse tanks moeten eenmalig (particulieren) of drie jaarlijks (bedrijven) nagekeken worden, ondergrondse tanks om de twee of vijf (particulieren) of twee jaar (bedrijven).
Een goedgekeurde tank krijgt een conformiteitsattest en een groene dop of merkplaat met daarop het registratienummer van de technicus of milieudeskundige die de controle uitvoerde, de datum van de laatste tankkeuring en de datum van de volgende controle.
Tanks die niet goedgekeurd zijn, krijgen een rode merkplaat. In een tank met een rode merkplaat mag een leverancier in geen geval brandstof leveren.

Tankkeuringen zijn niet alleen een noodzaak voor je verzekering, ook voor het Mazoutfonds zijn ze een must.
Noodzakelijke keuringsapparatuur:
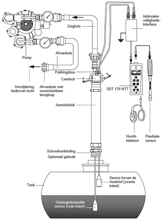
Voor de (verplichte) periodieke tankkeuring beschikt FC Service over ultrasone lekdetectietoestellen. Een vacuümpomp creëert in het reservoir een progressief vacuüm.

Van zodra de gecreëerde onderdruk groter is dan de hydrostatische druk, die veroorzaakt wordt door de hoogte van de vloeistof, brengen de lekken ultrasone signalen voort. Twee gevoelige sensoren in het reservoir (één boven de vloeistof en de tweede in de vloeistof) ontdekken zelfs de kleinste perforatie en controleren zo de dichtheid van de mazouttank.

FC Service voert niet alleen controles uit, ook houden wij al jouw gegevens bij in een database. Die bepaalt de volgende keuringsdatum. Een tweetal maanden vóór die datum verwittigen we je dat jouw tank aan een herkeuring toe is.
Doordat FC Service al je zorgen uit handen neemt, hoef je je niet meer om jouw tank te bekommeren.
En je bent er zeker van dat jouw mazoutleverancier nooit een levering zal weigeren omdat je tank niet gekeurd is.

(*) Artikel 6.5.5.4 van Vlarem II stelt dat de exploitant er dient voor te zorgen dat de opslaginstallatie steeds in goede staat van werking en onderhoud verkeert en in het bijzonder dat elke verontreiniging van het milieu wordt voorkomen.
Voorbeeld:


Alle reservoirs moeten voorzien zijn van een overvulbeveiligingssysteem.
Ondergrondse reservoirs moesten reeds aan een eerste controle onderworpen zijn vóór 1 augustus 2002.
De controle van een mazoutreservoir dient te gebeuren door een daartoe door het Vlaamse Gewest erkend technicus.
Een periodieke controle om de 5 jaar voor alle reservoirs (metalen, prefab-beton, polyester).
Wat krijg je?
- Een groene dop of kenplaat waarop het erkenningsnummer van de erkend technicus, de datum van de controle en de uiterlijke datum van de volgende controle vermeld staan.
- Een conformiteitsattest van controle.
Mail Cedric Floren (FC Service): klik op deze link
Cedric’s e-mailadres: cedricfloren@gmail.com
![]()
